SBI SL

STANDARD RECOMMENDED
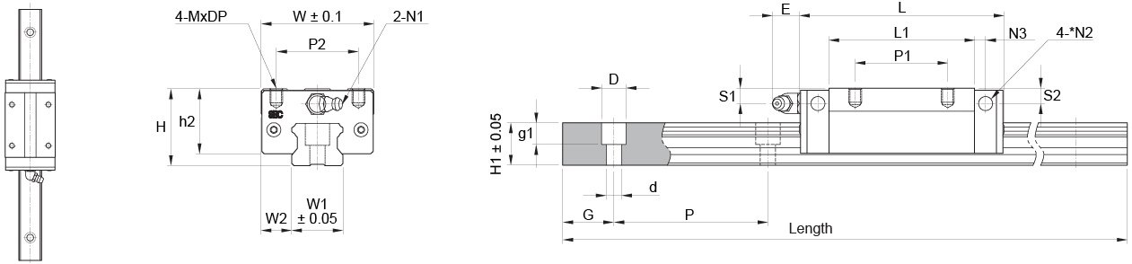
Slim block without flange, normal height and standard length.
Side nipple, dustproof end seal and self-lubricant container end seal as option.

* S: Bolt size for bottom mounting type of block

All blocks and rails are also available in Raydent treated material:
• Corrosion resistant
• Patented black surface
• Delivered with steel balls of standard bearing steel. Stainless steel balls are available on special request and for a few sizes only. Contact Rollco for more information.

Dimensions in mm.

Lead times in the table below are only indications. Choice of preload and other options will affect lead time. Please contact us for exact delivery time for your request.
Read more
Designation Select all CAD Compare Get quote Lead Time * Dynamic Load Capacity C (N) Static Load Capacity C0 (N) Static Moment Mr0 (Nm) Static Moment Mp0 (Nm) Static Moment My0 (Nm) Dynamic Moment Mr (Nm) Dynamic Moment Mp (Nm) Dynamic Moment My (Nm) Weight Block (g) Weight Rail (g/m)
1 14100 24100 160 170 170 94 99 99 190 1300
1 22200 38200 360 330 330 209 192 192 410 2200
1 31500 52100 560 560 560 339 339 339 690 3000
1 42800 65400 850 770 770 556 504 504 1040 4250
1 59500 89100 1420 1280 1280 948 855 855 1560 6020
1 97200 116300 2480 1900 1900 2073 1588 1588 2800 9770
2 127300 181800 4810 2970 2970 3368 2080 2080 4420 13720
1 188300 261700 8240 5570 5570 5929 4008 4008 9100 23170

*Green: Normally in stock, contact us for current status. Blue: Contact us for delivery time.

Designation Select all CAD Compare Get quote L H W W1 W2 L1 H1 h2 S1 S2 D x d x g1 Hole Pitch (P) MxDP N1 N2 N3 P1 P2 E G P Length
63.8 28 34 15 9.5 45.2 13 25 8.5 7.8 7.5 x 4.5 x 5.5 60 M4x5 M4x0.7 Ø 3.5 3.8 26 26 5.5 20 60 3000
78.8 30 44 20 12 56.8 16.5 25.4 6 5.8 9.5 x 6 x 8.5 60 M5x5 M6x0.75 Ø 3.5 5 36 32 12 20 60 4000
92 40 48 23 12.5 70 20 34.5 10 9 11 x 7 x 9 60 M6x8 M6x0.75 Ø 3.5 5 35 35 12 20 60 4000
107.6 45 60 28 16 79.6 23 38 11.5 10.8 14 x 9 x 12 80 M8x10 M6x0.75 Ø 5.7 5 40 40 12 20 80 4000
124.6 55 70 34 18 94.6 26 47.5 15 15 14 x 9 x 12 80 M8x10 M6x0.75 Ø 5.7 6 50 50 12 20 80 4000
142 70 86 45 20.5 108 32 61 20.5 19.3 20 x 14 x 17 105 M10x13 PT1/8 Ø 5.7 6.5 60 60 13.5 22.5 105 4000
172.4 80 100 53 23.5 131 38 68 22 22 23 x 16 x 20 120 M12x18 PT1/8 Ø 8.7 8 75 75 13 30 120 4000
219.8 90 126 63 31.5 170.4 53 71 14 14 26 x 18 x 22 150 M16x16 PT1/8 Ø 8.7 10 70 76 13 35 150 4000
  • STANDARD RECOMMENDED

    SBI FL

    Flanged – normal length – standard height (most common)
  • STANDARD RECOMMENDED

    SBI FLL

    Flanged – long – standard height
  • STANDARD RECOMMENDED
  • STANDARD
  • STANDARD
  • STANDARD

    SBI FV

    Flanged – short – low height
  • STANDARD
  • CORROSION RESISTANT STANDARD
  • CORROSION RESISTANT
  • CORROSION RESISTANT STANDARD

    SBI SL Raydent

    Slim – normal length – standard height – Raydent Surface Treatment
  • CORROSION RESISTANT STANDARD

    SBI FL Raydent

    Flanged – normal length – standard height (most common) – Raydent Surface Treatment
  • CORROSION RESISTANT
  • CORROSION RESISTANT STANDARD
  • CORROSION RESISTANT
  • CORROSION RESISTANT STANDARD