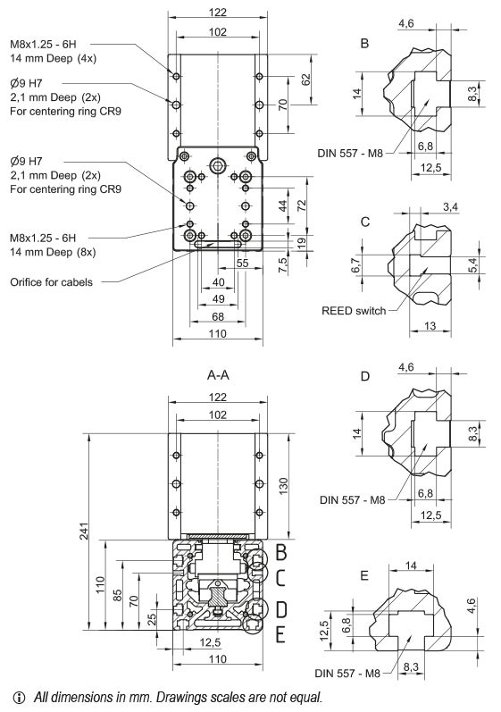
Linear Unit MTJZ 110

The MTJZ series contains Z-axis linear units with toothed belt drive, integrated ball rail system and compact dimensions. This linear units provide high performance features such as, high speed, good accuracy and repeatability by vertical applications.

In the linear units MTJZ is used a pre-tensioned steel reinforced AT polyurethane timing toothed belt. In conjunction with a zero-backlash drive pulley high moments with alternating loads with good positioning accuracy, low wear and low noise can be realized.

The in the profile slot driving timing belt protects all the parts in the profile from dust and other contaminations. The drive block provides the possibility to attach a motor or gearbox housing and additional accessories on it.

For CAD-files please contact Rollco.

Dimensions in mm.
Read more

Product Information

Modulus of Elasticity: E = 70000 N / mm2
Operating Temperature (°C): 0 ~ +60 For operating temperature out of the presented range, please contact Rollco.
Duty Cycle: 100%
Max. Acceleration (m/s²): 70
Max. Travel Speed (m/s): 5
Designation Select all CAD Compare Get quote Lead Time * Dynamic Load Capacity C (N) Static Load Capacity C0 (N) Dynamic Moment Mx (Nm) Dynamic Moment My (Nm) Dynamic Moment Mz (Nm) Mass of Drive Block (kg) Max. Permissible Loads Forces Fpy (N) Max. Permissible Loads Forces Fpz (N) Max. Permissible Loads Moments Mpx (Nm) Max. Permissible Loads Moments Mpy (Nm) Max. Permissible Loads Moments Mpz (Nm) Max. Repeatability (mm) Max. Length Version 1 Lmax (mm) Max. Length Version 2 Lmax (mm) Max. Stroke Version 1 (mm) Max. Stroke Version 2 (mm) Min. Stroke (mm)
Request quote 2 49600 85000 630 3470 3470 11.3 10000 14290 260 1000 700 ± 0.08 1800 6000 1304 5504 65

*Green: Normally in stock, contact us for current status. Blue: Contact us for delivery time.

Designation Select all CAD Compare Get quote Max. Drive Torque (Nm) Pulley Drive Ratio (mm/rev) Pulley Diameter Planar Moment of Inertia ly (cm⁴) Planar Moment of Inertia lz (cm⁴) Belt Type Belt Width Max. Force Transmitted by Belt (N) Specific Spring Constant Cspec (N)
Request quote 110 300 95.49 513 620 AT10 70 2300 2450000
Designation Select all CAD Compare Get quote Mass of Linear Unit (kg) Mass Moment of Inertia Version 1 (10⁻⁴ kg m²) Mass Moment of Inertia of Drive Block Version 2 (10⁻⁴ kg m²) Planar Moment of Inertia ly (cm⁴) Planar Moment of Inertia lz (cm⁴)
Request quote 21.7 + 0.0147 × (Abs. Stroke + (nb - 1) × A) + 11.3 × (nb - 1) 282.4 + 0.3358 × (Abs. Stroke + (nb - 1) × A) + 45.3 × (nb - 1) 302.9 513 620